How to fix cheap dogs hair clipper
Today is the day I almost forgot I'm a maker.
Say hello to a beloved family member - Mufasa!

Mufasa is a Maltese, his hair needs to be trimmed once in a while.
Instead of paying tons of money to a professional dog barber, I've bought a dogs hair clipper on Amazon a couple of years back, and since then I trim his hair - It's quite a bonding experience, to be honest :)
Today the trimmer life came to an end.
It has been like 15 minutes since the death of my hair trimmer, and I already had 20 tabs in chrome directing to different online shops, with a variance of dogs trimming machines. Since it's have been a while from my last post: installing-ros-docker-with-gpu-support-for-controlling-djis-tello-drone. I simply forgot to ask the most motivating question a man can ask:
I wonder what could have gone wrong with my machine?
At that exact moment, It was as if I woke up from a dream. And remembered that I'm a maker, and it is a riddle that needed to be solved!
So I dove right in..

At first glance, I saw that there were some components that were covered with corrosion (Like C1, in the top left curner)
Corrosion means that there's humidity, but that's obvious - I used to clean the clipper under a stream of water after every usage.
Sadly, I saw the DONT WASH UNDER TAP sign too late (two years too late)

First attempt - cleaning the corrosion.

Doing so didn't help much. Still, no response when turning on the machine.
I had a gut feeling for a bad battery - It did supply 3.3v so I tried to connect the battery with reverse polarity - And behold - It worked!
The second attempt - Figuring out why it works with reverse polarity?
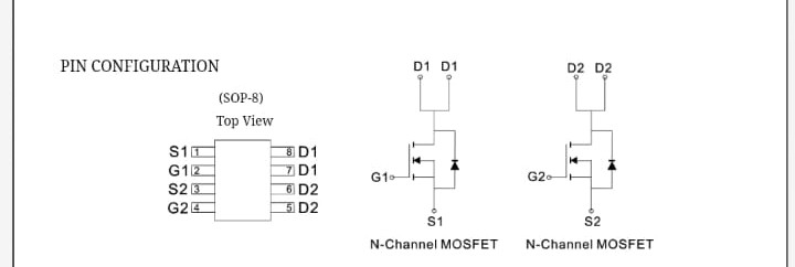
To do so, I looked at the MOSFET:

Luckily, I know what MOSFET is due to a post I made in the past: adding-iot-capabilities-to-an-old-automatic-watering-system. And what I've learned is that in MOSFET the current flows from Drain to Source, and the Gate can change its conductivity - meaning control the current amount from Drain -> Source:

Where in the trimming machine circuit, all the MOSFET's right pins are the D's, and that the current goes from the motors +, to the D's and from them to the S1 & S2.
So as for a quick&dirty fix, I soldered S1 and D1 together, so the MOSFET is actually being bypassed:

And where back in biz!
Wrap up
Today I almost forgot I'm a maker, and it could have cost me 40$ + 3-5 weeks of shipment. Luckily, my inner self woke me up with this innocent question:
I wonder what could have gone wrong?
It's important to have a passion in life, for me it is making new, enhance the existing, and fix the broken. for you?
Food for thought.
Til next time,
Cheers Gal.